LED адаптер для выключателей Livolo VL-PJ01
LED адаптер для выключателей Livolo VL-PJ01
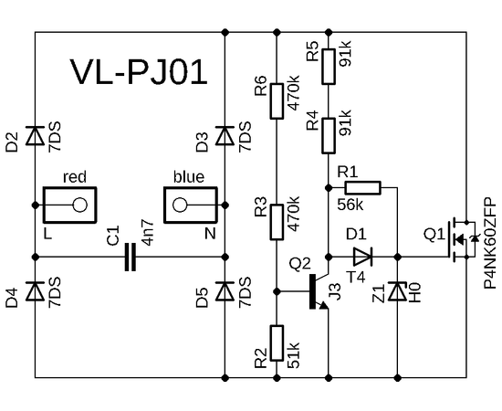
Адаптер необходим для установки вместе с сенсорными выключателями Livolo в случаях, когда наблюдается некорректная работа. Выключатели Livolo обычно автоматически обнаруживают подключенные лампы, но если устройство не может обнаружить нагрузку, используют LED адаптер. После установки адаптера все проблемы работы с LED лампами и LED лентами устраняются.

Есть несколько причин, по которым требуется наличие адаптера: подключение трансформатора для LED лент к выключателю, подключение выключателя к маломощной вытяжке, подключенная нагрузка выключателя менее 5 Вт, мерцание ламп в выключенном состоянии или отсутствие реакции на прикосновения к сенсору. Также адаптер устанавливают в случае подключения выключателя к лампе, которой управляют с помощью пульта дистанционного управления или к лампам с LED Driver.
Схемы подключения LED адаптера для выключателей Livolo VL-PJ01
Устройство подключают параллельно нагрузке.

При использовании LED ленты адаптер подключают параллельно трансформатору в сеть 220 вольт.

При наличии нуля, адаптер устанавливают возле выключателя.

- в монтажную коробку